
近日隱石檢測接到某公司委托,對機械零件進行斷口分析
測試方法:JY/T 010-1996、GB/T 17359-2012
圖1為來樣形貌,根據客戶要求對斷口形貌進行觀測。
圖2為斷口體式形貌,宏觀來看,有周期擴展特征,且表面A區有摩擦特征,說明該區域斷裂較早,因此推斷從A區向C區方向擴展,詳見圖中標注。
圖3為斷口A區形貌,可見邊部有明顯摩擦特征
圖4為摩擦區域放大形貌,摩擦平整,無斷口特征;
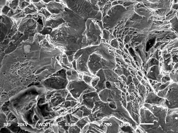
圖5為A區非摩擦區域微觀形貌,主要為撕裂小韌窩,部分區域有類似疲勞紋的褶痕;
圖6為B區微觀形貌,主要為韌窩形貌,部分區域有類似疲勞紋的褶痕;圖7為C區形貌,主要為韌窩形貌,部分區域有類似疲勞紋的褶痕。從微觀形貌分析,斷裂源A區為撕裂韌窩,說明裂紋擴展經過緩慢萌生的過程,各區類似疲勞紋的褶痕方向不一,可能是斷裂滑移線。

圖1來樣形貌

圖2斷口體式形貌

圖3 斷口A區形貌 20X

圖4 斷口A區摩擦形貌 500X

圖5 斷口A區非摩擦區域形貌 1000X

圖6斷口B區形貌 1000X

圖7斷口C區形貌 1000X
利用能譜儀對斷口A區進行成分定性及半定量分析,結果見表1和圖8,主要為O、Si、Al、Ti、Cr、Fe、Ni、Nb、Mo等。
表1 斷口A區能譜分析結果(wt%)
Memo | O | Al | Si | Ti | Cr | Fe | Ni | Nb | Mo | Total |
1 | 1.51 | 0.45 | 0.34 | 1.06 | 18.91 | 20.22 | 49.88 | 4.58 | 3.05 | 100 |
2 | 2.74 | 0.47 | 0.42 | 1.31 | 18.79 | 19.80 | 48.10 | 5.25 | 3.13 | 100 |
3 | 9.43 | 0.77 | 0.94 | 2.37 | 19.68 | 20.51 | 35.82 | 5.92 | 4.56 | 100 |
圖8 斷口A區能譜分析位置及譜圖




小結:斷口斷裂起源于表面A區,斷口各區主要為韌窩特征,宏觀來看斷口受到周期力作用,但微觀未見典型疲勞特征,因此該斷口不是典型的疲勞斷口。
…………………………報告結束…………………………
以上就是斷口分析實驗報告全部內容,本文內容由隱石檢測實際案例中提取,不得轉載與復制!